Diplomvorprüfung Technische Informatik
Datum : 27.5.1994
Zeit : 10.30 Uhr
Dauer : 30 Minuten
Prüfer : Prof. Dr. Schneeweiss
Beisitzer : Herr Küfner
Note : 1.3
1) Boolesche Algebra
Prof. Schneeweiss schrieb folgende Gleichung auf:
![]()
Dann gab er folgende Erläuterung: Das die Negation der Antivalenz die Äquivalenz ist wissen Sie natürlich. Zeigen Sie nun bitte algebraisch, daß auch die Negation einer Variable ausreicht!
Ich schrieb also:
bzw.
. Damit war im Grunde schon die Frage beantwortet. Ich habe dann noch aufgeschrieben, daß die Negation der Antivalenz tatsächlich der Äquivalenz entspricht, somit waren alle Gleichheiten gezeigt:

Zwischenfrage von S:: Warum benutzt man normalerweise hierfür kein K-Diagramm bzw. was ist für die Darstellung im K-Diagramm besser geeignet?
Antwort: Im K-Diagramm werden normalerweise DNFs dargestellt.
2) Rechnen mit Indikatorvariablen
Prof. S. schrieb auf:
und fragte: Wie kann man das ergänzen ?
Ich wollte sogleich zu A+B-AB vervollständigen, doch er winkte ab. Er sagte dann, ich solle den Term B-AB in einer Form schreiben in der die UND-Verknüpfung noch enthalten sei. Ich wußte -wie mir schien- eine kleine Ewigkeit nicht worauf er hinaus wollte. Dann begriff ich: Es ging um das rekursive Entwickeln für n Variablen. Also:
![]()
Er fragte: Haben Sie eine Ahnung, wie sich dieses Schema für 3 Variablen fortsetzt?
Nach einigem Zögern antwortete ich:
![]()
Na ja, meinte er, auch Informatiker haben wohl manchmal Schwierigkeiten mit Rekursionen!
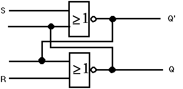
3) Flip-Flops
Zeichen Sie bitte ein SR Flipflop auf Gatterebene

Frage: Was passiert im Falle S=R=1?
Antwort: Q=Q'=0. (Dies mußte am Gatterschaltbild ausführlich erklärt werden!)
Frage: Welche FFs nimmt man in der Regel zum Aufbau von Schiebregistern?
Antwort: D-FFs.
Hier wollte er es etwas präziser und ich verbesserte: Getaktete D-MS-Flipflops.
Frage: Wozu setzt man Schieberegister ein?
Antwort: Serialisierung von Daten. multiplizieren bzw. dividieren mit/durch 2 durch Links- bzw. Rechtsschieben, Signalgenerierung durch "kreisenlassen" von 1er Mustern in Rundschieberegistern.
4) Nun noch etwas Kombinatorik:
Frage: Wieviele Boolesche Funktionen gibt es!
Antwort:
.
Beweis: Jede boolsche Funktion von n Literalen hat einerseits 2n Einträge in der Funktionstabelle und andererseits gibt es 2n Möglichkeiten n Literale zu kombinieren. Also gibt es insgesamt
Möglichkeiten der Kombination.
5) Mikrorechnersysteme
Frage: Was unterscheidet einfache Automaten bzw. Schaltnetze des Kurses 1701 grundsätzlich von den m Ps aus 1703?
Antwort (nach einigem Stochern im Dunkeln): Der Unterschied besteht in der Anwesenheit eines Bussystems in einem m P.
Frage: Was ist das besondere an diesem Bus?
Antwort: Es handelt sich um einen sogenannten Tri-State-Bus der neben den Zuständen Hi und Lo auch den Zustand 'hochohmig' kennt.
Nun sollte noch die obligatorische Skizze eines m P gezeichnet werden, unter besonderer Berücksichtigung und Erläuterung des Bussystems (s. KE1 1703, S.20)
Herr Prof. Schneessweiss ist ein sehr freundlicher Prüfer der jederzeit bereit ist, seine Frage neu zu formulieren, falls der Kandidat Schwierigkeiten mit der Antwort hat. Ich kann nur die Empfehlung aus einem früheren Protokoll wiederholen: Denkt laut nach wenn ihr nicht gleich auf eine Lösung kommt oder nicht weiterwißt! Bemüht euch bei euren Antworten um sprachliche Klarheit und antwortet nach Möglichkeit im ganzen Satz!
V I E L G L Ü C K ! ! !